Полы 4Т со стандартными отверстиями (ПВХ)
Характеристики
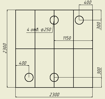
| Состав | чехол.....................ПВХ теплоизолятор...изолон 10мм |
| Размер | 2300х2300 мм |
| Масса | 7,8 кг |
Описание
Полы в палатки для зимней рыбалки от ведущего отечественного производителя - компании "Снегирь". Оптимально доступные цены за высокое качество.






